Nigdy nie wyizolowano HIV
Wirusy to mikroskopijne cząsteczki składające się z rdzenia w postaci kwasu nukleinowego (RNA lub DNA) obudowanego osłoną białkową. Mają one również kilka enzymów. W odróżnieniu od bakterii, pierwotniaków i grzybów wirusy nie są żywe i są też o wiele mniejsze.
W celu wywołania choroby patogenne wirusy wnikają do komórki, przejmują jej mechanizmy i skłaniają ją do produkcji większej liczby wirusów, które ostatecznie niszczą ją.107 Potem idą zarażać i zabijać inne komórki. Wirusy muszą to robić, gdyż nie potrafią się same rozmnażać, jako że są nieżywe. Patogenne wirusy są więc cytotoksyczne – zabijają komórki.108 Zabicie odpowiedniej liczby komórek dostatecznie szybko powoduje pojawienie się choroby. Na szczęście większość wirusów, tak jak bakterii, jest nieszkodliwa i układ odpornościowy, o ile go nie osłabiliśmy, zazwyczaj pozbywa się tych niebezpiecznych intruzów.
A teraz ciekawostka – HIV jest rzekomo retrowirusem109 składającym się z dwóch szczepów: HIV-1 i HIV-2. Jego rdzeń/genom kwasu nukleinowego jest RNA. Jak w przypadku wszystkich innych retrowirusów, guzki lub kolce na jego zewnętrznej powierzchni wczepiają się w komórkę, wstrzykując do niej materiał genetyczny, w wyniku czego wirus wtapia się w DNA komórki gospodarza za pośrednictwem odwrotnej transkrypcji110 i staje się jej częścią. W ten sposób jest w stanie przetrwać w komórce jako łagodny pasażer. Retrowirusy nie robią zatem tego, co muszą robić patogenne wirusy w celu wywołania choroby – „nie zabijają komórek”, jak stwierdzono na stronie 390 badania111 zamieszczonego w magazynie Journal of Biosciences.112 To dlatego cały ten argument brzmiący „HIV powoduje AIDS” jest tak bardzo głupi.
Jak wyjaśniono w badaniu z Perth i w Science Direct,113 aby wyizolować114 lub oczyścić115 wirusa, cząsteczki muszą być oddzielone od wszystkiego innego w nieczystej kulturze komórkowej116 lub kulturze mieszanej,117 która jest biologiczną zupą zawierającą wiele komórek i organizmów. To jak złowienie ryby, oddzielenie jej od wszystkiego innego, co jest w wodzie, i umieszczenie w łodzi. Wyizolowane cząsteczki wirusowe lub czysta kultura118 muszą następnie zostać sfotografowane pod mikroskopem elektronowym. Cząsteczki wirusa muszą zostać scharakteryzowane. Oznacza to wykazanie, że jego białka i materiał genetyczny należą do niego, a nie do żadnego innego podmiotu. Gdy się tego dokona, można ustalić, czy wyizolowany drobnoustrój powoduje określoną chorobę przy zastosowaniu postulatów Kocha119. Można także zastosować postulaty Rivera, które są podobne.

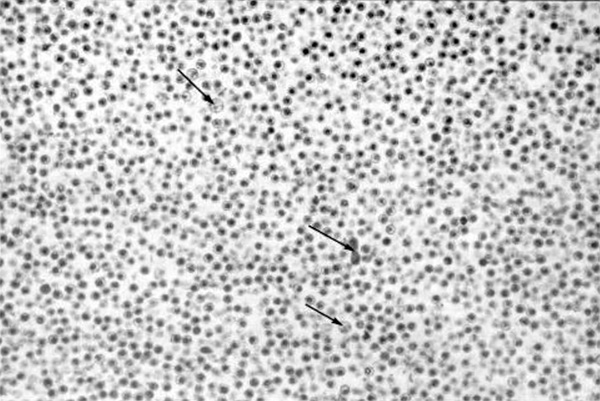
Mikrograf elektronowy wyizolowanych cząsteczek retrowirusa „typu C” wyhodowanych przez dra med. Étienne’a de Harvena (1928–2019) opublikowany w magazynie Pathologie-Biologie w roku 1965. Proszę zwrócić uwagę, że wszystkie cząsteczki wirusowe wyglądają tak samo. Strzałki pokazują trzy zanieczyszczenia, które nie są wirusami.

W roku 1997 pisarz i reżyser filmowy Djamel Tahi przeprowadził wywiad z Lukiem Montagnierem,120 który ukazał się w V tomie w 2 numerze magazynu Continuum. W tym samym numerze można również znaleźć krytykę twierdzeń Montagniera autorstwa szefowej zespołu badawczego z Perth121.
Zapytany przez Tahiego, czy wyizolował/oczyścił HIV, Montagnier oświadczył (patrz nr 18 w wywiadzie):
Powtarzam, że nie oczyściliśmy… bowiem gdy oczyszczasz, uszkadzasz. Więc w przypadku cząsteczek zakaźnych lepiej jest za bardzo ich nie dotykać.
Skąd zatem Montagnier wiedział, że to był wirus? Otóż, obserwując niecharakterystyczne zjawiska w nieczystych kulturach komórkowych – „gęstość, RT, «obrazy pączkowania»”122 (wirusopodobnych cząsteczek wyłaniających się z komórki) itp. (patrz nr 6 w wywiadzie).
…Nie była to jedna właściwość, ale zbiór właściwości, który skłonił nas do stwierdzenia, że to retrowirus… Badana w izolacji, żadna z tych właściwości nie jest sama w sobie charakterystyczna. Dopiero ich zbiór.
To tak, jakby powiedzieć, że wiesz, iż zero znaczy nic. Ale jeśli masz cały stos zer, to musi to być coś, mimo iż wszystkie one razem wciąż znaczą nic.
A co z tymi wszystkimi obrazami HIV i przekonywaniem zwolenników AIDS, że go wyizolowano?
Wizerunki HIV pokazywane w telewizji i innych mediach to albo rysunki, grafiki komputerowe bądź elektronowe mikrografy niewyizolowanych wirusopodobnych cząstek w nieczystych subkulturach. Takie cząsteczki są wszechobecne w kulturze komórkowej. Cytując badanie z Perth z Biotechnology:
…pojęcia stosowane w literaturze o AIDS, takie jak „HIV”, „izolacja HIV”, „czyste cząstki”, „cząstki wirusowe”, „wiriony” i „cząstki zakaźne” mają różne znaczenia… ale najczęściej bez dowodu na obecność cząstki: „RNA otoczone białkami”.
Izolację definiuje się jednak jako oddzielanie wirusa od wszystkiego innego, a nie wykrycie jakiegoś zjawiska…
…niektórzy najbardziej znani retrowirusolodzy nie uważają znajdowania „wirusopodobnych cząsteczek przypominających morfologicznie i biochemicznie” retrowirusy za dowód na istnienie takich wirusów. W latach 1970. takie cząstki obserwowano często w ludzkich tkankach białaczkowych, kulturach tkanek zarodkowych i „w większości, jeśli nie we wszystkich, ludzkich łożyskach”.
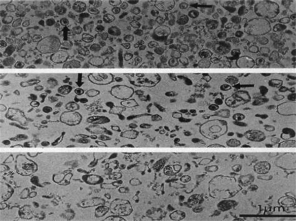
Niesamowite jest to, że dopiero w roku 1997 opublikowano w Virology pierwsze elektronowe mikrografy czegoś, o czym mówiono, że jest izolatami HIV.123 Te, jak twierdzą autorzy, izolaty to jedynie szczątki komórek, a kilka cząstek, które miały być HIV, nie wygląda nawet jak retrowirusy.
Nie ma łagodnego sposobu, aby to powiedzieć, więc będę brutalny – współczesna wirusologia uległa zwyrodnieniu i przypomina zgniłą kupy krowiego łajna.

Mikrografy elektronowe przedstawiające to, co rzekomo miało być izolatami HIV, opublikowane w Virology w roku 1997. Strzałki wskazują na coś, co zdaniem autorów jest wirusem HIV, bez żadnych na to dowodów. Widać wielką różnicę między mikrografami de Harvena i komórkowymi odpadami na tych mikrografach. (Źródło: Virusmyth.com)